Hallo,
bräuchte mal einen guten Rat von einem erfahrenden Elektroniker !!!
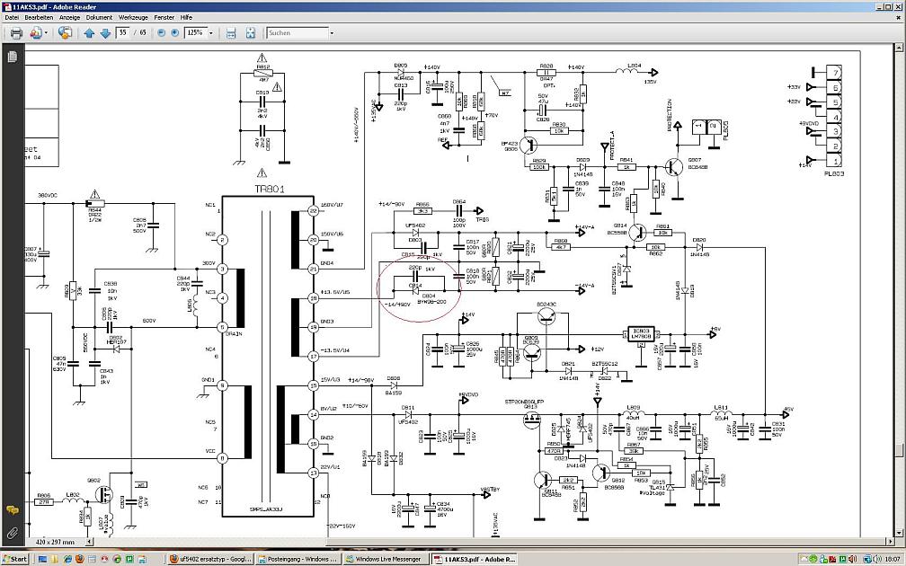
Ich suche einen Ersatztyp für die Diode UF 5402 !!!
Datenblatt
Bin mir nicht ganz sicher ob ich diesen Vergleichstyp verwenden kann ???
Datenblatt
Datenblatt UF 5408
Weiß jemand RAT ?




Für immer in meinem Herzen !
Zitieren

