Liste der Anhänge anzeigen (Anzahl: 1)
[S] Suche Elektroniker
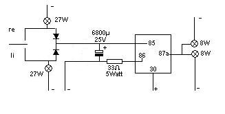
Ich suche jemanden der von Elektronik wirklich Ahnung hat.
Es geht um die untere Skizze.
Das mechanische Relais muß raus und durch eine elektr. Komponente ersetzt werden.
Kfz. Bordspannung 12 V
An einigen Fahrzeugen reicht die Masse nicht aus.
Skizze mit Bauteil Nennung reicht.
Anhang 30295
AW: [S] Suche Elektroniker
Was ist das Problem mit dem Relais?
Seperate Masse an Relais geht nicht?
AW: [S] Suche Elektroniker
*Blinkerrelais?
*Masse reicht nicht aus?
*Dann muss er masse suchen die ausreicht
*Weil wenn er jetzt ein elektronisches bauteil nutzt das bringt ihm auch nichts wenn er keine "richtige masse" hat.
übermittelt per ...
AW: [S] Suche Elektroniker
Es gibt elektronische Relais die nicht ganz so empfindlich auf Masse sind.
Würde ich erst mal probieren.
AW: [S] Suche Elektroniker
Hi Duke
Bist du denn nun weiterkommen mit deinem Blinker?